Zoom






























This module will be shipped from Sydney, Australia.
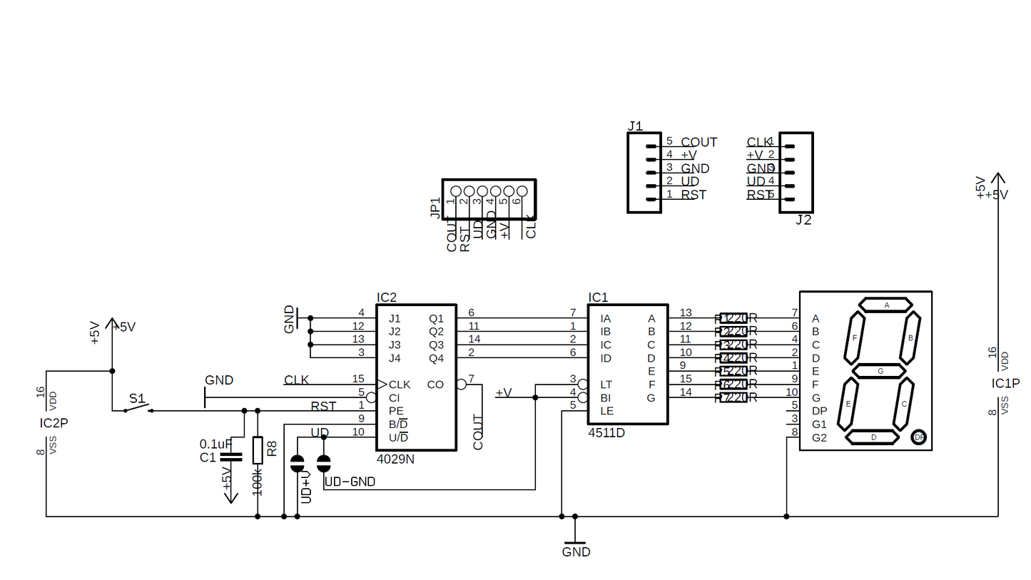
This is a basic up and down counter module built using CD4029. This module just needs a pulse from a flashing LED, NE555 timer, transistorized multivibrator, or Arduino. The module can count both up and down.
CD4029 up and counter pins:
1. CLK- Send pulse to this pin to increase or decrease the count. You can send a pulse from an Arduino or NE555.
2. 5V- Connect 5V from Arduino
3. GND- Connect GND from Arduino
4. UD- UD stands for UP or Down. If this pin gets 5V, the module starts counting Up and if this pin gets GND signal, the module will begin counting down.
5. RST- This is a reset pin. If you are concatenating several modules, make sure you connect all the RST pins also so that when the top tactile reset switch is pressed, all the modules reset the count to 0.
6. COUT- COUT pin should be connected to another CD4029 module while concatenating them. The other module on the left side gets a pulse for every 10th count.

At the back of the module, you will see two spots with a small jumper solder pad. If you solder UD-GND, the module will permanently count DOWN If you solder UD-5V, the module will permanently count UP.
Two modules can be concatenated together by soldering them from the back.
If you know how to flash an LED, you can use it instantly. If you are flashing an LED connected at pin 13, just connect the pin 13 to the CLK pin of the module. If you want to count up and down, simply use one more pin of Arduino and connect it to the UD pin and make that Arduino pin send a HIGH or LOW signal.

This module is different from other Arduino seven segment display module. This is a single module that can be used in basic electronic projects that excludes Arduino, for example, you can use it with NE555 also. This module is very simple that does not require any Arduino library or complex programming. Yet, it can be used for counting objects or events.
Package includes: 1 x CD4029 up and down counter module
Documents:
Related module: CD4026 up counter
SHIPPING
Our default shipping method is Registered International Post with a tracking code. Alternatively, you may opt for express shipping via DHL or FedEx.
Please note that we endeavor to ship all orders within 24 to 48 hours. The typical delivery time frame ranges between 2 to 4 weeks.
Kindly be aware that unforeseen circumstances, including customs or postal delays, may occasionally affect delivery times beyond our control.
Customers are responsible for any customs charges and should verify their country's customs policy.
RETURNS
If you are dissatisfied with the product, you may initiate a return within one month from the date of delivery. Please ensure that the product is sent back to our address in Sydney, Australia. Kindly note that all shipping charges associated with the return are the responsibility of the customer.
Copyright © BUILDCIRCUIT.COM and SCOREDUINO.COM. All Rights Reserved.