- Home
- LED chaser using NE555, CD4017, Infrared receiver and photoresistor
Product Categories
- FREE SHIPPING Items (5)
- Bluetooth Audio Amplifier (27)
- Bluetooth Audio Amplifier (Apt-X) (29)
- Bluetooth Audio Receiver/Transmitter modules (26)
- Bluetooth Audio volume controller (3)
- Bluetooth Relays (16)
- Digital Menu and Calenders (3)
- Scoreduino (11)
- RGB Scoreboards- Wi-Fi (10)
- Digital Scoreboards- Bluetooth (32)
- Scoreduino DMD- Bluetooth (15)
- Dot Matrix Displays (11)
- Arduino Modules (14)
- Arduino Shields (7)
- Counters (7)
- DIY Kits (17)
- Lazybones (2)
- Bluetooth Relays (16)
- RF Relays (7)
- Timer Relays (9)
- USB Relays (19)
- FM transmitters (3)
- Buck and Boost Modules (1)
- Power supplies (9)
Featured product
US $49.95 – US $50.95
US $24.95 – US $25.95
Description
This product is shipped from Sydney, Australia. Worldwide shipping available- we ship to USA, Canada, New Zealand, UK, EU and Non-EU countries.
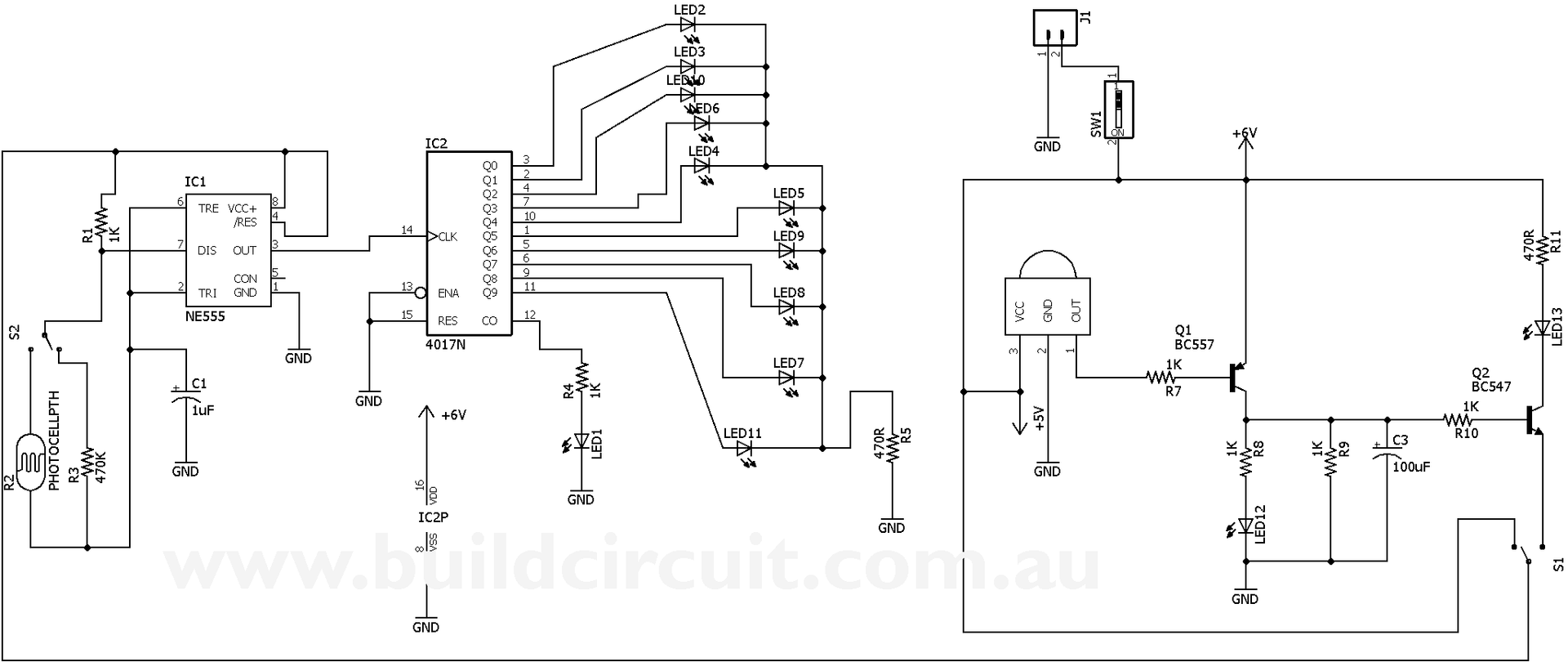
This is the modified version of a conventional LED chaser. We have modified this kit to respond to infrared and light.
The kit does work normally like a normal LED chaser kit. In addition to its obvious features, it has a photoresistor that allows you to change the speed of the chasing LEDs. In the old LED chaser, the speed is controlled with a variable resistor. In this kit, we have used a photoresistor to work as a variable resistor. As the light falling on the photoresistor changes, the speed of the LEDs also changes.
You can set the kit to receive infrared signals. If you turn on this feature, the LED chaser works only when you press a remote control close to the infrared receiver.
You can use both infrared and photoresistor features at the same time.
How does it work?
NE555 timer has been configured in astable mode and CD4017 works as a decade counter. NE555 can be powered directly or via BC547 transistor. To change the power source, you can use the SPDT switch IR func. The output of NE555 has been connected to CD4017. For each pulse generated by NE555, CD4017 lights up LEDs in a sequence.
A photoresistor has been connected to NE555. This has been used in place of the variable resistor. When the light level falling on the photoresistor changes, the output frequency of NE555 changes and that consequently changes the LED running speed.
Make sure that you use a small piece of heat shrink tube block the light falling on the LDR. We will send you a piece of heat shrink tube.

Operating voltage: 6V DC (Though the video shows 9V, you should use 6V, the voltage should not exceed 9V)
The PCB has been designed in a way that beginners can follow the silkscreen labels to solder the components. The component's name has been labeled properly. There is an assembly tutorial at the end of this page. You can follow that to solder the kit properly. Beginner level knowledge in soldering is enough to build this kit.
The kit package includes the following 38 components:
- 1 x Bare PCB
- 1 x CD4017
- 1 x NE555
- 1 x 16 pin DIL socket
- 1 x 8 pin DIL socket
- 1 x LDR/photoresistor
- 1 x TSOP4838 or TSOP1838 infrared sensor.
- 1 x Screw terminal- 2 pin
- 1 x BC547
- 1 x BC557
- 1 x 1uF
- 1 x 100uF
- 1 x 1P DIP switch
- 2 x SPDT switch
- 10 x 5mm LED
- 3 x 5mm different color LEDs
- 6 x 1k Ohm resistor
- 2 x 470R resistors
- 1 x 470k Ohm resistor
- 1 x 9V battery connector
Schematic:

Documents:
1. Assembly images- See how the components are soldered on the kit
Shipping & Return
SHIPPING
Our default shipping method is Registered International Post with a tracking code. Alternatively, you may opt for express shipping via DHL or FedEx.
Please note that we endeavor to ship all orders within 24 to 48 hours. The typical delivery time frame ranges between 2 to 4 weeks.
Kindly be aware that unforeseen circumstances, including customs or postal delays, may occasionally affect delivery times beyond our control.
Customers are responsible for any customs charges and should verify their country's customs policy.
RETURNS
If you are dissatisfied with the product, you may initiate a return within one month from the date of delivery. Please ensure that the product is sent back to our address in Sydney, Australia. Kindly note that all shipping charges associated with the return are the responsibility of the customer.
Reviews
Related Products
Recently viewed products
Copyright © BUILDCIRCUIT.COM and SCOREDUINO.COM. All Rights Reserved.
Shopping cart
close
-
WHAT ARE YOU LOOKING FOR?Search
- Login / Register
- Home
-
Shop
All categories
- FREE SHIPPING Items
- Bluetooth Audio Amplifier
- Bluetooth Audio Amplifier (Apt-X)
- Bluetooth Audio Receiver/Transmitter modules
- Bluetooth Audio volume controller
- Bluetooth Relays
- Digital Menu and Calenders
- Scoreduino
- RGB Scoreboards- Wi-Fi
- Digital Scoreboards- Bluetooth
- Scoreduino DMD- Bluetooth
- Dot Matrix Displays
- Arduino Modules
- Arduino Shields
- Counters
- DIY Kits
- Lazybones
- Bluetooth Relays
- RF Relays
- Timer Relays
- USB Relays
- FM transmitters
- Buck and Boost Modules
- Power supplies
- page
- Blog Tutorials and Documents
- Wishlist (0)
- Compare (0)
- Contact Us





